产品展示
韩国三和SDDR-AM7|韩国三和SDDR自启动继电器
首页 / 产品中心 / 电子式电流继电器(AC)
产品标题:韩国三和SDDR-AM7|韩国三和SDDR自启动继电器
产品ID:VIB20090708213145734
品  牌:韩国三和EOCR
所在地:中国 上海
价  格:面议 (大量采购价格面议)
库存状态:货期待查
更新日期:2025-5-31 2:33:25
咨询电话:(+86)021-51699285
咨询Q Q: 2695337323
产品简述

 

SDDR继电器用于接触器控制的电动机拖动,当发生电源瞬时断电而又恢复供电时,它能使系统自动再投入运行
对发生电源瞬时断电而又恢复供电的,其允许中断时间是可以设定的,但不得大于10秒,通过电位器SDDT鉴定
恢复供电后,电动机的再启动可以有0-30秒的延迟,通过电位器DOMT鉴定,实现电动机分批启动的目的
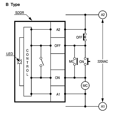
适用于两种不同的控制线路,SDDR有A型和B型两种不同的规格

产品详情

韩国三和SDDR 保  护

 

 
保护项目

动作(跳闸)时间

断电自启动

O-TIME

 
韩国三和SDDR 技术条件
 
 
韩国三和SDDR 典型参考图/接线图/安装尺寸图
 








型号名称

装箱数

价格

韩国三和SDDR-AM7

10

询价

韩国三和SDDR-BM7

10

询价
韩国三和SDDR-AF7
10
询价

韩国三和SDDR-BF7

10

询价

韩国三和SDDR-A 110/220V

10

询价
韩国三和SDDR-B 110/220V
10
询价