| 产品标题:POL12-04,pisco内六角接头,pisco上海代理,通用接头,标准接头,模具接头 价格|型号|实图|参数 产品ID:VIB20090903080942734 品 牌:PISCO 匹士克 所在地:中国 日本 价 格:面议 (大量采购价格面议) 库存状态:货期待查 更新日期:2025-4-24 0:51:33 咨询电话:(+86)021-51699285 咨询Q Q: 2695337323 |
◐ 以高质量的产品回应客户需求.
PISCO提供广泛领域的扭动产品,力求质量与成本的平衡,以满足客户需求同时,我们可通过预先送货系统来实现迅速与可靠的发货.
◐ 解决客户问题(备有特殊环境的各种产品)
PISCO不仅准备了标准的产品,还有一些应用于特殊环境的产品,即使我们目前标准产品线不能满足客户的需求,我们会根据客户的需求提供定制
◐ 最好的解决方案.质量和环境(通过提供产品质量能让客户获得信任和满意
自从PISCO成立以来,我们向客户承诺导向开发和生产,1994年我们的产品获得ISO9001质量认证.我们的质量口号是:"嬴得客户的信任和满意“。1998年为了环境和持续发展,我们获得了14001环保认证。环境政策口号是“为了我们地球的生命”所有员工参与了生态活动。
◐ PISCO Products 产品指南
◐ 接头系列 (快速接头、压合接头、极小型接头)
◐ 控制器系列 (调速器、调压阀、精炼设备)
◐ 阀门系列
◐ 真空系列 (真空发生器、真空吸盘、相关真空装置)
◐ 致动器系列
◐ 管类系列 (直管、合并排管、真空气管)
◐ 塑胶轨道链条系列
◐ 机器人零件系列
日本PISCO通用接头
POL12-04,pisco内六角接头,pisco上海代理,通用接头,标准接头,模具接头 价格|型号|实图|参数


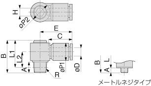
| 形 式 | チューブ外径 φD |
R | A | B | L1 | L2 | φP1 | φP2 | C | E | 対辺 H |
有効断面積 (mm2) |
質量 (g) |
価格 (\) |
CADファイル名 | |
| 3D | 2D | |||||||||||||||
| POL4-M5 | 4 | M5×0.8 | 3 | 17.5 | 14.5 | 7.5 | 10 | 10 | 14.9 | 19.8 | 4 | 2.1 | 6.3 | POL4-M5 | TFS-041 | |
| POL6-01 | 6 | R1/8 | 8 | 24 | 20 | 11.5 | 13 | 14.3 | 17 | 23.7 | 5 | 7 | 15 | POL6-01 | ||
| POL6-02 | R1/4 | 11 | 27 | 21 | 12.5 | 7.4 | 22 | POL6-02 | ||||||||
| POL8-01 | 8 | R1/8 | 8 | 27 | 23 | 12 | 14 | 17.9 | 18.1 | 26.7 | 8 | 14 | 22 | POL8-01 | ||
| POL8-02 | R1/4 | 11 | 30 | 24 | 13 | 12.4 | 28 | POL8-02 | ||||||||
| POL8-03 | R3/8 | 12 | 31 | 24.7 | 13.7 | 13.6 | 37 | POL8-03 | ||||||||
| POL10-02 | 10 | R1/4 | 11 | 34 | 28 | 15 | 18 | 21.3 | 20.7 | 30.7 | 10 | 22.9 | 40 | POL10-02 | ||
| POL10-03 | R3/8 | 12 | 35 | 28.7 | 15.7 | 22.6 | 49 | POL10-03 | ||||||||
| POL12-03 | 12 | R3/8 | 12 | 39 | 32.7 | 17.7 | 21 | 26.3 | 23.4 | 36.4 | 12 | 37.3 | 68 | POL12-03 | ||
| POL12-04 | R1/2 | 15 | 42 | 33.8 | 18.8 | 32.4 | 85 | POL12-04 | ||||||||
| ※.テーパーネジタイプのL1、L2寸法は、ネジ締付け後の参考寸法です。 |
