| 产品标题:针型气缸CJP系列,执行元件(气缸) - 不锈钢迷你气缸 产品ID:VIB20120522234810734 品 牌:CKT 西克迪 所在地:中国 上海 价 格:面议 (大量采购价格面议) 库存状态:货期待查 更新日期:2025-3-19 21:07:05 咨询电话:(+86)021-51699285 咨询Q Q: 2695337323 |
针型气缸CJP系列,执行元件(气缸) - 不锈钢迷你气缸
产品简介:
订购代码
安装尺寸
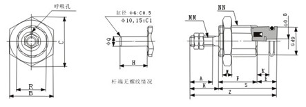
面板安装型CJPB
|
缸径
mm |
A |
B |
C |
E |
F |
G |
H |
K | ||
|
5st |
10st |
15st | ||||||||
|
6 |
7 |
12 |
13.9 |
6 |
12.5 |
19.5 |
26.5 |
8.5 |
9 |
3.5 |
|
10 |
10 |
19 |
22 |
6 |
14.5 |
21 |
28 |
12 |
12 |
3.5 |
|
15 |
12 |
27 |
31 |
7 |
16.5 |
22.5 |
29 |
19 |
14 |
4.2 |
|
缸径
mm |
MM |
NN |
R |
S |
W |
Z |
Q | ||||
|
5st |
10st |
15st |
5st |
10st |
15st | ||||||
|
6 |
M3×0.5 |
M10×1.0 |
9 |
18.5 |
22.5 |
32.5 |
3 |
27.5 |
34.5 |
41.5 |
3 |
|
10 |
M4×0.7 |
M15×1.5 |
13 |
20.5 |
27 |
34 |
4 |
32.5 |
39 |
46 |
5 |
|
15 |
M5×0.8 |
M22×1.5 |
20 |
23.5 |
29.5 |
36 |
5 |
37.5 |
43.5 |
50 |
6 |

|
缸径
mm |
A |
B |
C |
E |
F |
G |
H |
K | ||
|
5st |
10st |
15st | ||||||||
|
6 |
7 |
12 |
13.9 |
6 |
12.5 |
19.5 |
26.5 |
8.5 |
9 |
3.5 |
|
10 |
10 |
19 |
22 |
6 |
14.5 |
21 |
28 |
12 |
12 |
3.5 |
|
15 |
12 |
27 |
31 |
7 |
16.5 |
22.5 |
29 |
19 |
14 |
4.2 |
