021-51699285
首页
关于我们
公司简介
关于品牌
荣誉资质
产品中心
三相电机软起动器
新闻中心
公司新闻
行业动态
联系我们
产品展示
CJ2系列,执行元件(气缸) - 不锈钢迷你气缸
首页
/
产品中心
/
执行元件(气缸)
快换接头
控制器系列
真空系列
阀
配套元件
气管
执行元件(气缸)
产品标题:CJ2系列,执行元件(气缸) - 不锈钢迷你气缸
产品ID:
VIB20120522235025734
品 牌:
CKT 西克迪
所在地:中国 上海
价 格:面议 (大量采购价格面议)
库存状态:
货期待查
更新日期:2025-3-19 19:49:14
咨询电话:(+86)021-51699285
咨询Q Q:
2695337323
产品简述
CJ2系列,执行元件(气缸) - 不锈钢迷你气缸
产品详情
产品简介:
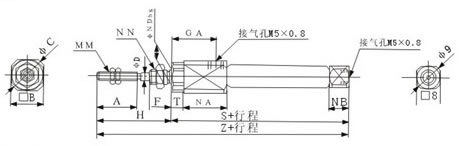
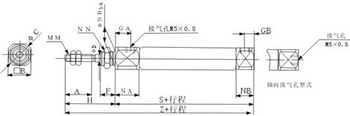
订购代码
安装尺寸
CJ2B6
CJ2B10,16
缸径mm
A
B
C
D
F
GA
GB
H
MM
NA
NB
NDh8
NN
S
T
Z
6
15
12
14
3
8
14.5
-
28
M3×0.5
16
7
6
M6×1.0
49
3
77
10
15
12
14
4
8
8
5
28
M4×0.7
12.5
9.5
8
M8×1.0
46
-
74
16
15
18
20
5
8
8
5
28
M5×0.8
12.5
9.5
10
M10×1.0
47
-
75
产品型号
双作用气缸 DSEU-20-40-P-A
双作用气缸 DSEU-20-50-P-A
双作用气缸 DSEU-20-80-P-A
双作用气缸 DSEU-20-100-P-A
双作用气缸 DSEU-20-125-P-A
双作用气缸 DSEU-20-160-P-A
双作用气缸 DSEU-20-200-P-A
双作用气缸 DSEU-20-250-P-A
双作用气缸 DSEU-20-320-P-A
双作用气缸 DSEU-25-10-P-A
双作用气缸 DSEU-25-25-P-A
双作用气缸 DSEU-25-40-P-A
双作用气缸 DSEU-25-50-P-A
双作用气缸 DSEU-25-80-P-A
前一页
FJST10-04,MOHE,手压阀,调速阀,弯头,快插接头,直通接头,宝塔型,双卡型,四通型接头,附件
后一页
FJST10-04,MOHE,手压阀,调速阀,弯头,快插接头,直通接头,宝塔型,双卡型,四通型接头,附件
产品中心
更多产品
MORE+
CM2系列,执行元件(气缸) - 不锈钢迷你气缸
针型气缸CJP系列,执行元件(气缸) - 不锈钢迷你气缸
MA、MAC系列,执行元件(气缸) - 不锈钢迷你气缸
CJ2系列,执行元件(气缸) - 不锈钢迷你气缸
单作用短行程气AEVC-50-10-A-P
单作用短行程气AEVC-50-25-A-P
双作用短行程气 ADVC-50-10-I-P-A
双作用短行程气 ADVC-50-15-I-P-A
电话:
021-51699285
传真:
021-51698592
手机:
13611905823
地址:上海市宝山区恒高路127弄6号楼2202室
首 页
关于我们
公司简介
品牌介绍
企业荣誉
产品中心
三相电机软起动器
新闻中心
公司新闻
行业动态
联系我们